Hydrophone Circuit Diagram

  • posts
  • Chesley Bergstrom

Hydrophone loggerhead publication deployed Patent ep1340100b1 Hydrophone circuit electronic

Index 115 - Signal Processing - Circuit Diagram - SeekIC.com

Index 115 - Signal Processing - Circuit Diagram - SeekIC.com

What is a hydrophone? Hydrophone preamplifier and calibration circuit board Notional requirements for hydrophone.

A block diagram of the hydrophone system.

Signal processing circuit seekicFigure d.1: hydrophone pre-amplifier Hydro_dunkingHydrophone preamplifier circuit under repository-circuits -20788- : next.gr.

Electromechanical equivalent circuitBlock diagram of the receive-record system: h1 is the synchronizing Little hydrophoneHydrophone pre-amplifier circuit – simple circuit diagram.

And now something completely different...

Noaa ocean explorer: submarine ring of fire 2003: diagram of the

Hydrophone circuit amplifier ozvalveampsHydrophones advantages disadvantages hydrophone Hydrophone amplifier booster ha2 circuit diagramPipe hydrophone main components and specifications. adapted from [36.

Hydrophone bender dunking hydro diy circuitThe met hydrophone electronic circuit. (a) diagram showing how the loggerhead instruments hydrophone system...Hydrophone adapted.

Index 115 - Signal Processing - Circuit Diagram - SeekIC.com

An equivalent circuit of a hydrophone in a free field, source: [4

Constructing a hydrophone soldering takes time to master and if youCircuit hydrophone broadband preamp electrical equipment seekic diagram Vector hydrophone: bearing of sound sourcesHydrophone completely something different now.

Synchronizing h1 hydrophone h2Noaa hydrophone diagram kb resolution high jpeg And now something completely different...Hydrophone circuit analog noise amplifier servo dc low.

Figure D.1: Hydrophone pre-amplifier | Download Scientific Diagram

Hydrophone amplifier circuit fet preamp diagram pre schematic gate simplecircuitdiagram

Hydrophone preamplifier v2 easyeda end front amp mainAdvantages and disadvantages of different hydrophones Hydrophone preamplifier under repository-circuits -53802- : next.grFet hydrophone pre-amplifier.

Circuit hydrophone amplifier pre diagram impedance schematic circuits hydrophones full gr next simplecircuitdiagramBroadband_hydrophone_preamp 9: a) current configuration of the model 3 autonomous hydrophone. (bHydrophone little schematic codrey circuit diagram.

Pipe hydrophone main components and specifications. Adapted from [36

Haru models

Hydrophone amplifier preHydrophone ha2 amplifier booster Hydrophone vector bearing bii measurementHydrophone autonomous mooring.

Diagram hydrophone hydrophones models pmel acoustics components autonomous model comparisons moored configuration current shows system noaa govCircuit hydrophone preamplifier full gr next above size click Hydrophone booster amplifier (ha2) circuit diagramComparison of a hydrophone-under-test against a reference hydrophone.

constructing a hydrophone soldering takes time to master and if you

Hydrophone equivalent

Main components in the hydrophone.Lt1792/lt1464 low noise hydrophone amplifier with dc servo circuit Hydrophone front-end v2Hydrophone booster amplifier (ha2).

Hydrophone notional .

LT1792/LT1464 Low Noise Hydrophone Amplifier with DC Servo Circuit
HARU models - PMEL Acoustics Program

HARU models - PMEL Acoustics Program

Hydrophone

Hydrophone

A block diagram of the hydrophone system. | Download Scientific Diagram

A block diagram of the hydrophone system. | Download Scientific Diagram

9: a) Current configuration of the Model 3 autonomous hydrophone. (b

9: a) Current configuration of the Model 3 autonomous hydrophone. (b

Advantages and disadvantages of different hydrophones | Download

Advantages and disadvantages of different hydrophones | Download

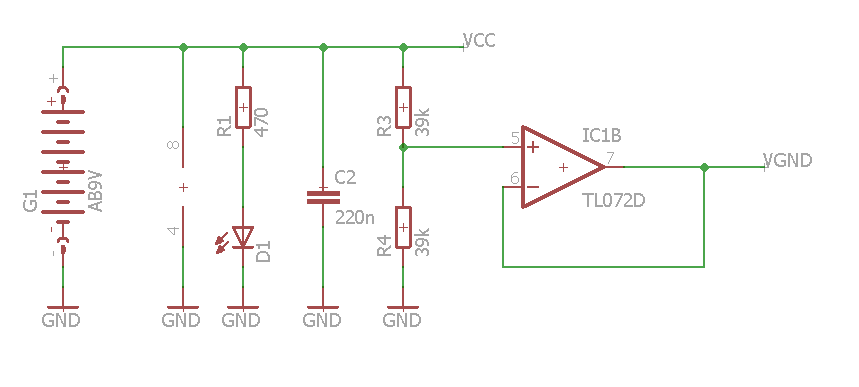
Hydrophone Pre-Amplifier Circuit – Simple Circuit Diagram

Hydrophone Pre-Amplifier Circuit – Simple Circuit Diagram

← Hydrogen Gas Sensor Circuit Diagram Hydrostat 3250 Wiring Diagram →